All Categories
Radar Level Gauge Threaded Installation

Radar Level Gauge Threaded Installation

  • 76-81GHz Frequency Modulated Continuous Wave (FMCW) radar products, supporting four-wire and two-wire applications. Multiple models are available, with a maximum range of 120m and a blind zone of 10cm. Due to its higher operating frequency and shorter wavelength, it is particularly suitable for solid-state applications. Its lens-based electromagnetic wave transmission and reception method offers unique advantages in high-dust and harsh temperature environments (+200℃). The instrument offers flange or threaded mounting options for easy and convenient installation.

Whatspp:+86 18912600763
E-mail:sales@beitemeter.com

Detail

Key advantages of this series are as follows:
* Millimeter-wave RF chip, enabling a more compact RF architecture, higher signal-to-noise ratio, and smaller blind zone.
* 5GHz operating bandwidth, providing higher measurement resolution and accuracy. * Narrowest 3' antenna beam angle reduces the impact of environmental interference on the instrument, making installation easier.

* Shorter wavelength provides better reflection characteristics on solid surfaces, eliminating the need for a universal flange for aiming.

* Supports Bluetooth debugging via mobile phone, facilitating on-site maintenance.

Technical Support

Transmission Frequency 76GHz~81GHz,
Measurement Range 15m 35m 85m 120m
Measurement Accuracy 1mm
Beam Angle 3 ≤, 8 ≤
Power Supply Range 18~28.0VDC
Communication Method HART/MODBUS/PROFIBUS-PA/Bluetooth Communication
Signal Output 4~20mA or RS-485
Shell Material Aluminum Casting, Stainless Steel
Antenna Type Threaded/Universal/Flat/Flat Heat Dissipation/High Temperature High Pressure
Cable Entry M20*1.5
Recommended Cable 0.5mm
Protection Rating IP67

Dimension Diagram

Radar Level Gauge Threaded Installation

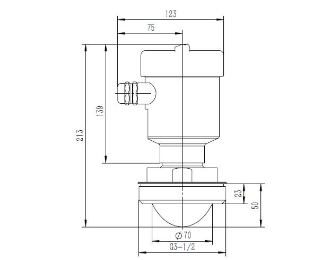
Schematic diagram of pipe thread process connection at room temperature

Radar Level Gauge Threaded Installation1

Schematic diagram of universal flange at high temperature

Radar Level Gauge Threaded Installation2

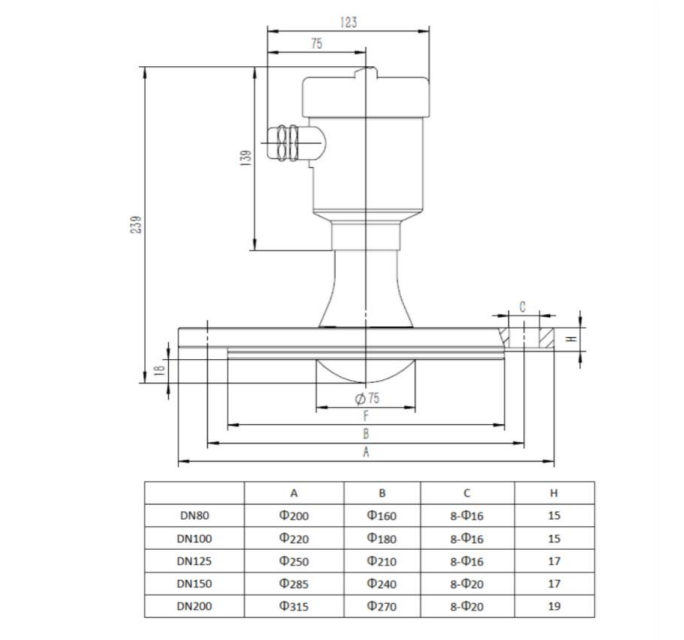
Structural Dimension Diagram of Corrosion-Resistant Version

Radar Level Gauge Threaded Installation3

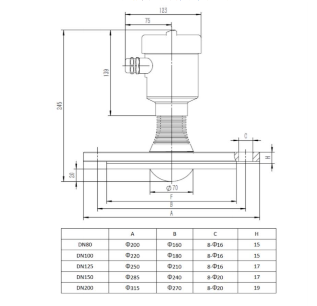
High-Temperature Structural Dimension Diagram of Corrosion-Resistant Version

Radar Level Gauge Threaded Installation4

Structural Dimension Diagram of Corrosion-Resistant Version

Get In Touch

Send Your Message